La ESP32-C5 Mini es una placa de desarrollo compacta con WiFi 6 de doble banda (2,4 y 5 GHz), Bluetooth 5.x LE y radio 802.15.4 para Zigbee, Thread y Matter, además de dos filas de 9 pines que ofrecen hasta catorce GPIOs para proyectos de IoT y hogar inteligente.
Recuerda al XIAO ESP32-C5, pero es ligeramente más larga y usa el SoC ESP32-C5HF4 en lugar del ESP32-C5HR8 con 8 MB de flash SPI, lo que significa que carece de PSRAM y solo incluye 4 MB de flash en el chip en vez de flash externo. Agrega además cuatro pines GPIO adicionales, antena integrada y conector IPEX.
Especificaciones NiceMCU ESP32-C5 Mini
- MCU inalámbrico: ESP32-C5HF4 de Espressif Systems. Procesador RISC-V de 32 bits a hasta 240 MHz; núcleo RISC-V de bajo consumo a 48 MHz para aplicaciones sensibles a la energía. Memoria: 384 KB SRAM on-chip. Almacenamiento: 320 KB ROM, 4 MB de flash SPI. Conectividad: WiFi 6 802.11ax dual-band (2,4/5 GHz) compatible con 802.11b/g/n; modos Station, SoftAP, SoftAP + Station y promiscuo. Bluetooth 5.0 LE con soporte Mesh, hasta 2 Mbps. Radio 802.15.4 para Zigbee 3.0, Thread 1.3 y Matter a hasta 250 Kbps.
- Antena: integrada, con conector IPEX adicional.
- USB: puerto USB Type-C para alimentación y programación.
- Expansión: 2x cabezales de 9 pines (agujeros pasantes y castellated holes) con 1x UART, hasta 14x GPIO, 5 V (Vin), 3,3 V y GND.
- Botones y LEDs: Reset, Boot; LED de encendido y LED de usuario (IO23).
- Alimentación: 5 V por USB Type-C o pin Vin.
- Dimensiones: 27,9 x 17,8 mm (vs. 21 x 17,8 mm del XIAO ESP32-C5).
- Temperatura: no se especifica, aunque el ESP32-C5HF4 opera entre -40 °C y 105 °C.

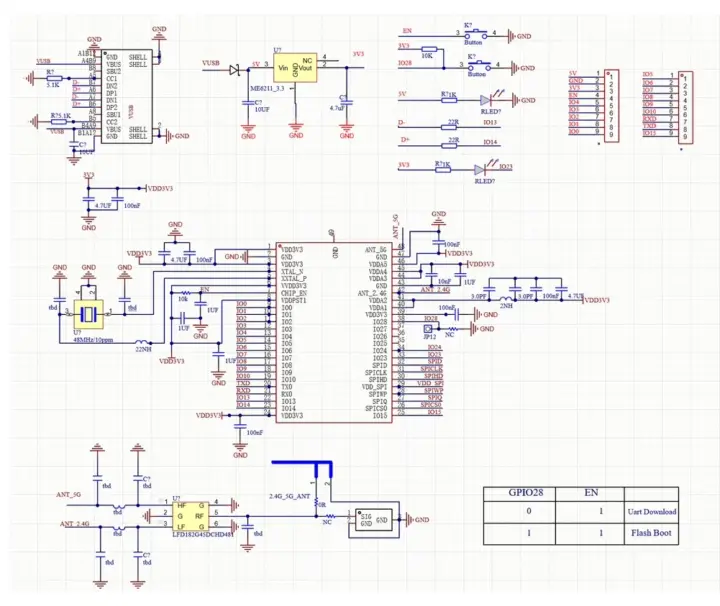
El nombre puede generar confusión, ya que Espressif comercializa su propio módulo llamado ESP32-C5-Mini-1, pero es un detalle menor. La placa no incluye documentación ni firmware propios, más allá del esquemático disponible a continuación.
Lo que sí tiene es compatibilidad plena con los frameworks habituales del ecosistema: ESP-IDF, Arduino IDE y MicroPython, igual que otras placas ESP32-C5.

Dado que la ESP32-C5 Mini prescinde de soporte para batería y ofrece menor memoria y almacenamiento que el XIAO ESP32-C5, su precio es algo inferior. Se consigue por apenas 4,93 dólares en la tienda Maker Go de AliExpress, envío incluido y antes de impuestos o aranceles.




